Product Summary
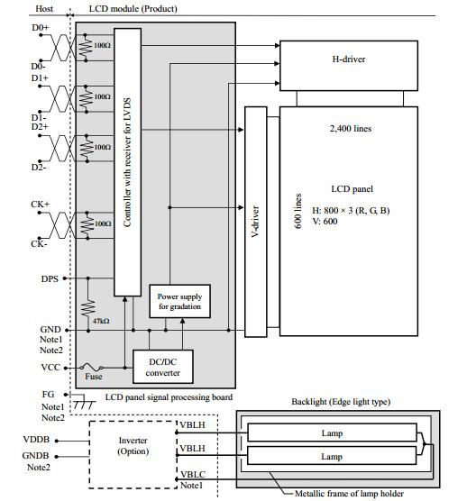
The NL8060BC31-28D is a TFT color LCD module. Its applications include industrial use.
Parametrics
NL8060BC31-28D absolute maximum ratings: (1)lamp voltage: 1800; (2)display signal input voltage: -0.3 to VCC+0.3V; (3)LCD panel signal processing board voltage: -0.3 to 4V; (4)storage temperature: -20 to 80℃; (5)operating temperature: -10 to 70℃.
Features
NL8060BC31-28D features: (1)high luminance; (2)high contrast; (3)wide viewing angle; (4)wide temperature range; (5)LVDS interface; (6)reversible-scan direction; (7)edge light type.
Diagrams

![]() |
![]() NL8060BC26-17 |
![]() Other |
![]() |
![]() Data Sheet |
![]() Negotiable |
|
||||
![]() |
![]() NL8060BC31-17 |
![]() Other |
![]() |
![]() Data Sheet |
![]() Negotiable |
|
||||
(China (Mainland))








