Product Summary
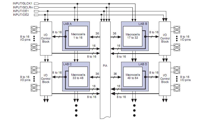
The EPM7160SLC84-10 is a high-density, high-performance PLD. It is based on Altera second-generation MAX architecture.
Parametrics
EPM7160SLC84-10 absolute maximum ratings: (1)Supply voltage:–2.0V to 7.0V; (2)DC input voltage:–2.0V to 7.0V; (3)DC output current, per pin:–25mA to 25mA; (4)Storage temperature:–65℃ to 150℃; (5)Ambient temperature:–65℃ to 135℃; (6)Junction temperature:Ceramic packages, under bias:150℃, PQFP and RQFP packages, under bias:135℃.
Features
EPM7160SLC84-10 features: (1)Includes 5.0-V MAX 7000 devices and 5.0-V ISP-based MAX 7000S devices; (2)Built-in JTAG boundary-scan test (BST) circuitry in MAX 7000S devices with 128 or more macrocells; (3)Complete EPLD family with logic densities ranging from 600 to 5,000 usable gates (see Tables 1 and 2); (4)5-ns pin-to-pin logic delays with up to 175.4-MHz counter frequencies (including interconnect); (5)PCI-compliant devices available.
Diagrams

| Image | Part No | Mfg | Description | ![]() |
Pricing (USD) |
Quantity | ||||||
|---|---|---|---|---|---|---|---|---|---|---|---|---|
![]() |
![]() EPM7160SLC84-10 |
![]() |
![]() IC MAX 7000 CPLD 160 84-PLCC |
![]() Data Sheet |
![]()
|
|
||||||
![]() |
![]() EPM7160SLC84-10N |
![]() |
![]() IC MAX 7000 CPLD 160 84-PLCC |
![]() Data Sheet |
![]()
|
|
||||||
(China (Mainland))









