Product Summary
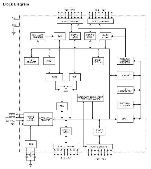
The AT89C52 is a low-power, high-performance CMOS 8-bit microcomputer with 8K bytes of Flash programmable and erasable read only memory (PEROM). The AT89C52 is manufactured using the high-density nonvolatile memory technology and is compatible with the industry-standard 80C51 and 80C52 instruction set and pinout. The on-chip Flash allows the program memory to be reprogrammed in-system or by a conventional nonvolatile memory programmer. By combining a versatile 8-bit CPU with Flash on a monolithic chip, the Atmel AT89C52 is a powerful microcomputer which provides a highly-flexible and cost-effective solution to many embedded control applications.
Parametrics
AT89C52 absolute maximum ratings: (1)Operating Temperature:-55℃ to +125℃; (2)Storage Temperature:-65℃ to +150℃; (3)Voltage on Any Pin with Respect to Ground:-1.0V to +7.0V; (4)Maximum Operating Voltage:6.6V; (5)DC Output Current:15.0 mA.
Features
AT89C52 features: (1)Compatible with MCS-51 Products; (2)8K Bytes of In-System Reprogrammable Flash Memory; (3)Fully Static Operation: 0 Hz to 24 MHz; (4)Three-level Program Memory Lock; (5)256 × 8-bit Internal RAM; (6)32 Programmable I/O Lines; (7)Three 16-bit Timer/Counters; (8)Eight Interrupt Sources; (9)Programmable Serial Channel; (10)Low-power Idle and Power-down Modes.
Diagrams

| Image | Part No | Mfg | Description | ![]() |
Pricing (USD) |
Quantity | ||||
|---|---|---|---|---|---|---|---|---|---|---|
![]() |
![]() AT89C52 |
![]() Other |
![]() |
![]() Data Sheet |
![]() Negotiable |
|
||||
![]() |
![]() AT89C52-12AC |
![]() Atmel |
![]() 8-bit Microcontrollers (MCU) Microcontroller |
![]() Data Sheet |
![]() Negotiable |
|
||||
![]() |
![]() AT89C52-12JC |
![]() Atmel |
![]() 8-bit Microcontrollers (MCU) 80C31 w/8k |
![]() Data Sheet |
![]() Negotiable |
|
||||
![]() |
![]() AT89C52-12JI |
![]() Atmel |
![]() 8-bit Microcontrollers (MCU) Microcontroller |
![]() Data Sheet |
![]() Negotiable |
|
||||
![]() |
![]() AT89C52-12AC-5 |
![]() Atmel |
![]() 8-bit Microcontrollers (MCU) Microcontroller |
![]() Data Sheet |
![]() Negotiable |
|
||||
![]() |
![]() AT89C52-12PC |
![]() Atmel |
![]() 8-bit Microcontrollers (MCU) 80C31 w/8k |
![]() Data Sheet |
![]() Negotiable |
|
||||
![]() |
![]() AT89C52-16PC |
![]() Atmel |
![]() 8-bit Microcontrollers (MCU) Microcontroller |
![]() Data Sheet |
![]() Negotiable |
|
||||
![]() |
![]() AT89C52-16QC-5 |
![]() Atmel |
![]() 8-bit Microcontrollers (MCU) Microcontroller |
![]() Data Sheet |
![]() Negotiable |
|
||||
(China (Mainland))











