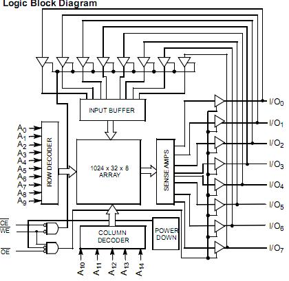
Product Summary
The CY7C199-15VC is a high-performance CMOS static RAM organized as 32,768 words by 8 bits. Easy memory expansion is provided by an active LOW Chip Enable (CE) and active LOW Output Enable (OE) and three-state drivers. The CY7C199-15VC has an automatic power-down feature, reducing the power consumption by 81% when deselected. The CY7C199-15VC is in the standard 300-mil-wide DIP, SOJ, and LCC packages.
Parametrics
CY7C199-15VC absolute maximum ratings: (1)Storage Temperature:–65℃ to +150℃; (2)Ambient Temperature with Power Applied:–55℃ to +125℃; (3)Supply Voltage to Ground Potential(Pin 28 to Pin 14):–0.5V to +7.0V; (4)DC Voltage Applied to Outputs in High-Z State:–0.5V to VCC + 0.5V; (5)DC Input Voltage:–0.5V to VCC + 0.5V; (6)Output Current into Outputs (LOW):20 mA; (7)Static Discharge Voltage: > 2001V(per MIL-STD-883, Method 3015); (8)Latch-up Current:> 200 mA.
Features
CY7C199-15VC features: (1)High speed:10 ns; (2)Fast tDOE; (3)CMOS for optimum speed/power; (4)Low active power:467 mW (max, 12 ns “L” version); (5)Low standby power:0.275 mW (max, “L” version); (6)2V data retention (“L” version only); (7)Easy memory expansion with CE and OE features; (8)TTL-compatible inputs and outputs; (9)Automatic power-down when deselected.
Diagrams

| Image | Part No | Mfg | Description |  | Pricing (USD) | Quantity | ||||||||||||
|---|---|---|---|---|---|---|---|---|---|---|---|---|---|---|---|---|---|---|
|  |  CY7C199-15VC |  |  IC SRAM 256KBIT 15NS 28SOJ |  Data Sheet |  Negotiable |  | ||||||||||||
| Image | Part No | Mfg | Description |  | Pricing (USD) | Quantity | ||||||||||||
|  |  CY7C006 |  Other |  |  Data Sheet |  Negotiable |  | ||||||||||||
|  |  CY7C006A |  Other |  |  Data Sheet |  Negotiable |  | ||||||||||||
|  |  CY7C006A-15AXC |  Cypress Semiconductor |  SRAM 5V 16Kx8 COM Dual Port SRAM |  Data Sheet |  Negotiable |  | ||||||||||||
|  |  CY7C006A-15AXCT |  Cypress Semiconductor |  SRAM 5V 16Kx8 COM Dual Port SRAM |  Data Sheet |  Negotiable |  | ||||||||||||
|  |  CY7C006A-20AC |  |  IC SRAM 16KX8 DUAL 64LQFP |  Data Sheet |  Negotiable |  | ||||||||||||
|  |  CY7C006A-20AXC |  Cypress Semiconductor |  SRAM 5V 16Kx8 COM Dual Port SRAM |  Data Sheet |  
 |  | ||||||||||||
 (China (Mainland))
 (China (Mainland)) 
                         
                        
 
                                    




