Product Summary
The TL084CDR JFET-input operational amplifier is designed to offer a wider selection than any previously developed operational amplifier family. The TL084CDR incorporates well-matched, high-voltage JFET and bipolar transistors in a monolithic integrated circuit. The TL084CDR features high slew rates, low input bias and offset currents, and low offset-voltage temperature coefficient. Offset adjustment and external compensation options are available with the TL084CDR.
Parametrics
TL084CDR absolute maximum ratings: (1)Supply voltage, VCC+: 18 V; (2)Supply voltage VCC-: -18 V; (3)Differential input voltage, VID: ± 30 V; (4)Input voltage, VI (see Notes 1 and 3): ±15 V; (5)Duration of output short circuit: Unlimited; (6)Continuous total power dissipation: See Dissipation Rating Table; (7)Operating free-air temperature range, TA: 0 to 70℃; (8)Operating virtual junction temperature: 150 ℃; (9)Case temperature for 60 seconds, TC: 260 ℃; (10)Lead temperature 1,6 mm (1/16 inch) from case; (11)for 60 seconds: 300 ℃; (12)Storage temperature range, Tstg: -65 to 150 ℃.
Features
TL084CDR features: (1)Low Power Consumption; (2)Wide Common-Mode and Differential Voltage Ranges; (3)Low Input Bias and Offset Currents; (4)Output Short-Circuit Protection; (5)Low Total Harmonic Distortion: 0.003% Typ; (6)High Input Impedance: JFET-Input Stage; (7)Latch-Up-Free Operation; (8)High Slew Rate: 13 V/μs Typ; (9)Common-Mode Input Voltage Range Includes VCC+.
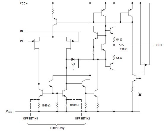
Diagrams

| Image | Part No | Mfg | Description | ![]() |
Pricing (USD) |
Quantity | ||||||||||||
|---|---|---|---|---|---|---|---|---|---|---|---|---|---|---|---|---|---|---|
![]() |
![]() TL084CDR |
![]() Texas Instruments |
![]() Operational Amplifiers - Op Amps Quad JFET Neg Input |
![]() Data Sheet |
![]()
|
|
||||||||||||
![]() |
![]() TL084CDRE4 |
![]() Texas Instruments |
![]() Operational Amplifiers - Op Amps Quad JFET-Input |
![]() Data Sheet |
![]()
|
|
||||||||||||
![]() |
![]() TL084CDRG4 |
![]() Texas Instruments |
![]() Operational Amplifiers - Op Amps JFET-Input Op Amp |
![]() Data Sheet |
![]()
|
|
||||||||||||
(China (Mainland))









